Turbo Grundforløb 2 Elektriker - N25G2ELE09M12 + M13
Emneoversigt
-
Menu
You are currently viewing this course as Gæster.
-
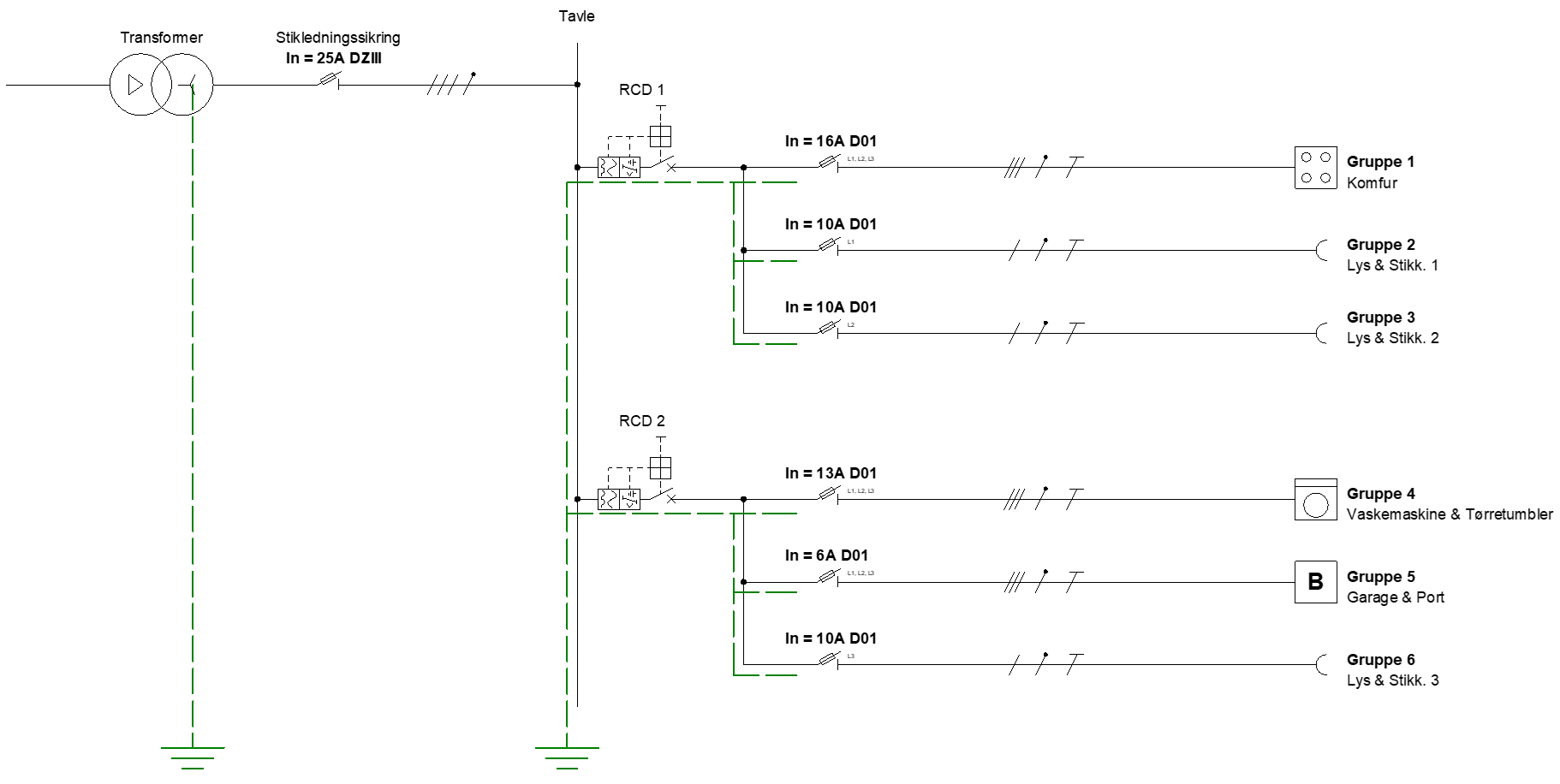
Dokumentation
-
En video hvor Peter Velberg gennemgår Tavle Dokumentation.
(Bemærk, varmetabsbergning er IKKE en del af Gf2, brug videoen til at se hvordan han opbygger tavlen i Panel Builder).
