Kopi af Martin's GF2 Turbo - 23. Jan 2026
Emneoversigt
-
Menu
You are currently viewing this course as Gæster.
-
Dokumentation
-
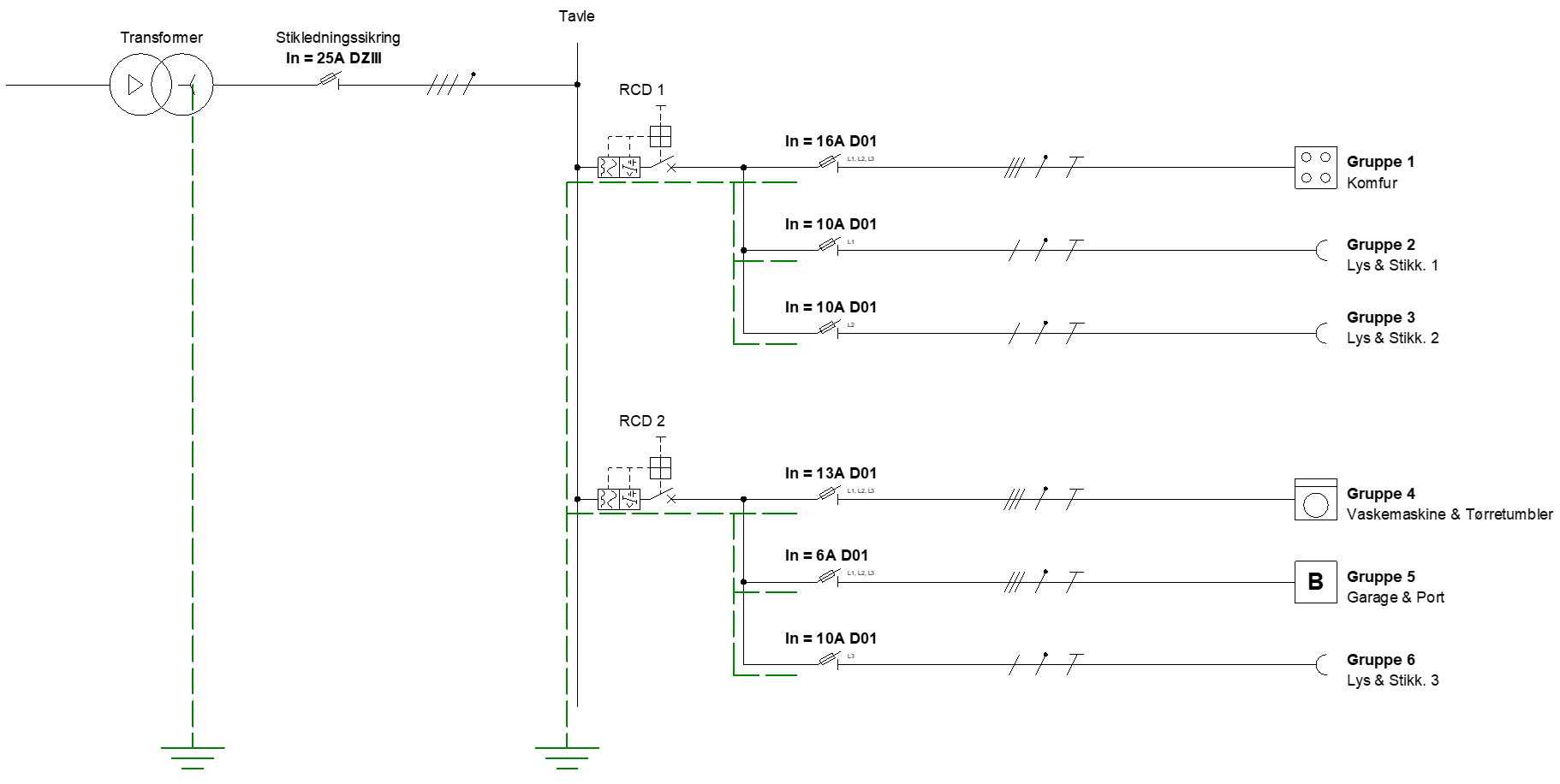
En video hvor Peter Velberg gennemgår Tavle Dokumentation.
(Bemærk, varmetabsbergning er IKKE en del af Gf2, brug videoen til at se hvordan han opbygger tavlen i Panel Builder).
